Vad är ett desorptionselektrolytiskt system och varför är det nödvändigt för modern guldutvinning

2026-04-21 - Lämna ett meddelande till mig

DeDesorptionselektrolytiskt systemär en avgörande teknik i modern guldutvinning, särskilt i processer för kol-i-massa (CIP) och kol-i-lakning (CIL). Den här bloggen utforskar hur systemet fungerar, dess komponenter, fördelar och varför det har blivit en standard för effektiv guldåtervinning. Vi lyfter också fram hur företag gillarEPISKdriver innovation inom detta område. I slutet kommer du att ha en omfattande förståelse för hur detta system förbättrar produktiviteten, minskar kostnaderna och förbättrar återvinningsgraden.

Desorption Electrolytic System

Innehållsförteckning


Vad är ett desorptionselektrolytiskt system

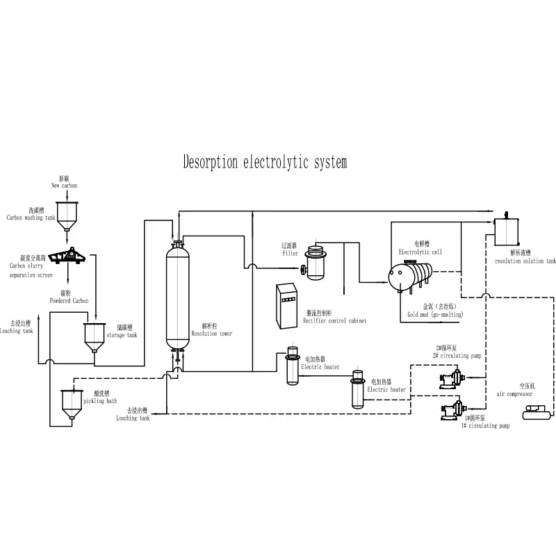
A Desorptionselektrolytiskt systemär ett avancerat guldåtervinningssystem som används för att utvinna guld från aktivt kol. Det används i stor utsträckning i gruvdrift där guld absorberas på kolpartiklar under urlakningsprocessen.

  • Desorption: Tar bort guld från kol med hjälp av högtemperatur- och högtryckslösningar
  • Elektrolys: Återvinner guld från lösningen till katoder
  • Slutet system: Säkerställer effektivitet och minimal förlust

Detta system är viktigt för att förbättra återvinningseffektiviteten och minska driftskostnaderna, vilket gör det till en kärnkomponent i moderna guldbearbetningsanläggningar.


Hur fungerar ett desorptionselektrolytiskt system

Arbetsprincipen för enDesorptionselektrolytiskt systemomfattar två huvudsteg:

  1. Desorptionsstadiet:Guldladdat kol behandlas med en het alkalisk cyanidlösning, vilket frigör guldjoner.
  2. Elektrolysstadium:Den guldrika lösningen passerar genom en elektrolytisk cell där guld avsätts på stålullskatoder.

Processen säkerställer hög effektivitet och möjliggör kontinuerlig drift, varför system från företag somEPISKanvänds i stor utsträckning i industriella tillämpningar.


Huvudkomponenter i systemet

Komponent Fungera
Desorptionskolonn Håller aktivt kol och underlättar borttagning av guld
Elektrolytisk cell Återvinner guld genom elektrolys
Värmeväxlare Upprätthåller önskad temperatur
Filtersystem Tar bort orenheter från lösningen
Styrsystem Automatiserar drift och övervakar parametrar

Varje komponent spelar en viktig roll för att säkerställa att systemet fungerar effektivt och konsekvent.


Tekniska fördelar och funktioner

  • Hög guldåtervinningsgrad (upp till 98 %)
  • Låg energiförbrukning
  • Automatiserad drift för minskade arbetskostnader
  • Kompakt design för utrymmeseffektivitet
  • Miljövänlig med minimala utsläpp

Tillverkare gillarEPISKoptimera kontinuerligt dessa system för att möta förändrade industrikrav, vilket säkerställer bättre prestanda och tillförlitlighet.


Applikationer i guldbearbetning

DeDesorptionselektrolytiskt systemanvänds ofta i:

  • Guldbrytningsanläggningar
  • CIP-verksamhet (Carbon-in-Pulp).
  • CIL-processer (Carbon-in-Leach).
  • Återvinning av guldavfall

Dess mångsidighet gör den lämplig för både storskalig industriell gruvdrift och mindre verksamheter som söker effektivitetsförbättringar.


Jämförelse med traditionella metoder

Särdrag Desorptionselektrolytiskt system Traditionella metoder
Effektivitet Hög Måttlig
Automatisering Helt automatiserad Manuell eller halvautomatiserad
Kosta Lägre långsiktig kostnad Högre driftskostnad
Miljöpåverkan Låg Högre

Det är uppenbart att det moderna systemet ger betydande fördelar jämfört med traditionella guldåtervinningstekniker.


Urvalsguide för köpare

När du väljer enDesorptionselektrolytiskt system, överväg följande faktorer:

  • Bearbetningskapacitet
  • Automationsnivå
  • Energieffektivitet
  • Tillverkarens rykte (t.ex. EPIC)
  • Support efter försäljning

Att välja rätt system säkerställer långsiktig operativ framgång och maximerad avkastning på investeringen.


Underhåll och drifttips

  • Inspektera regelbundet rörledningar och ventiler
  • Övervaka temperatur och trycknivåer
  • Rengör elektrolytiska celler med jämna mellanrum
  • Byt ut slitna komponenter omgående
  • Följ tillverkarens riktlinjer strikt

Korrekt underhåll förlänger systemets livslängd avsevärt och säkerställer konsekvent prestanda.


FAQ

1. Vad är huvudsyftet med ett desorptionselektrolytiskt system?

Dess huvudsakliga syfte är att effektivt utvinna och återvinna guld från aktivt kol.

2. Hur effektivt är systemet?

De flesta system uppnår en guldåtervinningsgrad på över 95 %, beroende på driftsförhållandena.

3. Är systemet miljövänligt?

Ja, moderna system är designade för att minimera utsläpp och minska kemiskt avfall.

4. Kan det anpassas?

Ja, företag som EPIC erbjuder anpassningsbara lösningar baserade på bearbetningskrav.

5. Vilka branscher använder detta system?

Främst guldgruvindustrin, men också i applikationer för återvinning av ädelmetaller.


Slutsats

DeDesorptionselektrolytiskt systemrepresenterar ett genombrott inom guldåtervinningsteknik, som erbjuder oöverträffad effektivitet, tillförlitlighet och miljöprestanda. Med kontinuerliga framsteg från branschledare somEPISK, blir detta system allt viktigare för modern gruvdrift. Om du vill optimera din guldutvinningsprocess och förbättra lönsamheten är det ett smart val att investera i ett högkvalitativt system.Kontakta ossidag för att lära dig mer om hur vi kan tillhandahålla skräddarsydda lösningar för dina behov.

Skicka förfrågan

X
Vi använder cookies för att ge dig en bättre webbupplevelse, analysera webbplatstrafik och anpassa innehåll. Genom att använda denna sida godkänner du vår användning av cookies. Sekretesspolicy