Elektrolytiskt system
  • Elektrolytiskt system Elektrolytiskt system

Elektrolytiskt system

Som en av professionella tillverkare vill EPIC ge dig elektrolytiskt system av hög kvalitet. Och vi kommer att erbjuda dig den bästa servicen efter försäljning och snabb leverans.

Skicka förfrågan

Produktbeskrivning

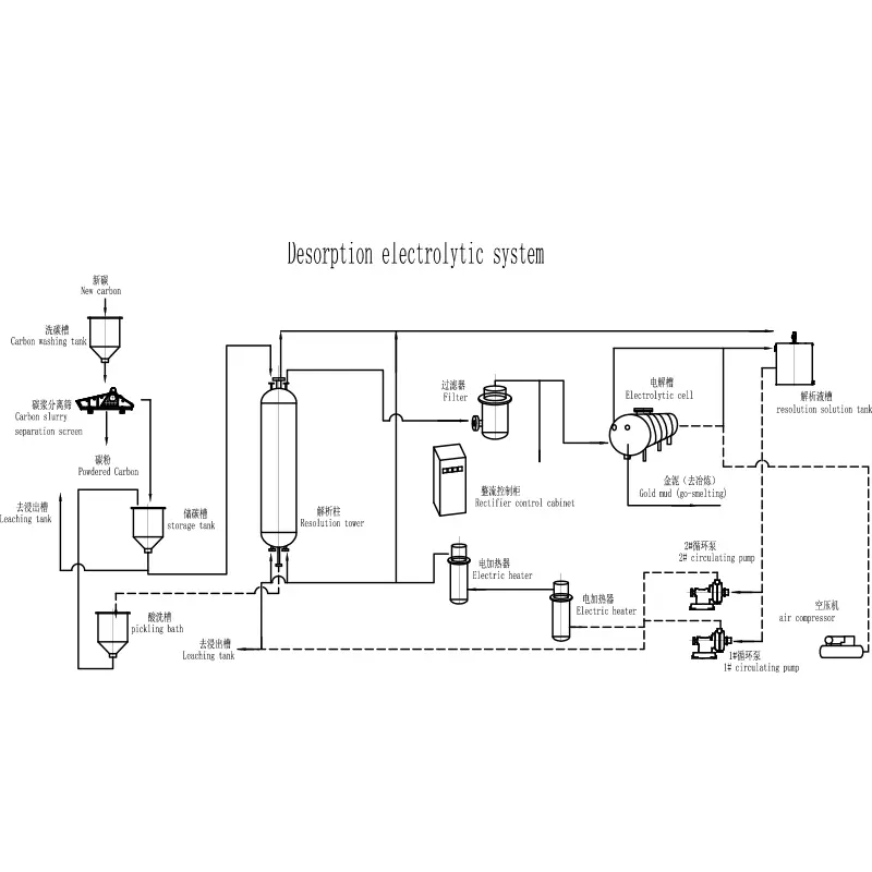
Som en skicklig tillverkare syftar EPIC att erbjuda dig förstklassig desorptionselektrolytiskt system. Vi lovar att ge dig det bästa stödet efter försäljning och snabb leverans. Genom att lägga till mer lättare av aktivt koladsorptionssorptionssystem för anjon, återvinns således Au (CN) 2 "ersättning, desorption av guld. Vätskan erhållen genom desorption av guldbelastat kol återvinns genom jonisering för att erhålla fast guld. Utrustningskarakteriater som erhålls.

1, hög temperatur, högt tryck, ingen cyanid, automatisk kontroll av desorption, med hög elfektivitet, bågförbrukning, snabbt

Egenskaper: 

A.hög effektivitet: När den guldbelastade kolkvaliteten når 3000 g/t kan desorptionshastigheten nå mer än 96%, och den dåliga kolkvaliteten kan reduos med 3-4 gånger jämfört med den konventionella desorptionselektrolytik

anordning:

B.Fast: Desorptionselektrolysstemperatur kan vara så hög som 150 ℃ (30-55 ℃ högre än andra modeller) Systemets arbetstryck upp till 0,5 MPa (0,2-0,5MPa högre än andra modeller), så desorptionslektrolysiden är mycket snabbt, i allmänhet 12 timmar, kortare nästan nästan nästan nytta nästan 

3 gånger: C.LOW-konsumtion: Desorptionselektrolytisk temperatur är densamma, ingen värmeöverföring på grund av det snabba arbetet, så den totala kraftförbrukningen är 1/2-1/4 i det konventionella systemet.

2. Ingen cyanid: Desorptionslösning behöver inte lägga till natriumcyanid, låg kostnad, ingen förorening:

3, högkvalitativ guldslam, inget behov av att vända elektrolys, enkel extraktion;

4, Automatisk styrning: Ställ in Speciellt ställer in vätskenivåstyrningssystemet, temperaturkontrollsystemet och det automatiska styrsystemet;

5, Säkerhet: Med trippel säkerhetsskyddsåtgärder, nämligen själva systemet intelligent, autoratiska tryckbegränsande tryckfrisättningsmekanism, försäkringssäkerhetsventil.

Hot Tags: Elektrolytiskt system
Skicka förfrågan
Lämna gärna din förfrågan i formuläret nedan. Vi kommer att svara dig inom 24 timmar.
X
Vi använder cookies för att ge dig en bättre webbupplevelse, analysera webbplatstrafik och anpassa innehåll. Genom att använda denna sida godkänner du vår användning av cookies. Sekretesspolicy