Hur förbättrar cyanideringsutrustning guldåtervinning och platssäkerhet?

2026-01-08 - Lämna ett meddelande till mig

Om du någonsin har känt att cyanidering är "effektivt, men stressigt", inbillar du dig inte det. Kemin fungerar – men den dagliga verkligheten kan vara rörig: varierande malm, överutgifter för reagens, kolförluster, oväntade stillestånd och det konstanta trycket att arbeta säkert och konsekvent. Denna artikel bryter ner vadCyanideringsutrustningfaktiskt borde göra för dig, vad du ska fråga innan du köper och hur du undviker de dyraste misstagen.


Abstrakt

ModernCyanideringsutrustningär inte bara en uppsättning tankar – det är ett anslutet system som är utformat för att kontrollera lakningsförhållandena, stabilisera återvinningen, minska reagensspill och hålla cyanidhanteringen förutsägbar. Köpare kämpar vanligtvis med fyra smärtpunkter: inkonsekvent återhämtning, höga driftskostnader, svaga säkerhetskontroller och underhållshuvudvärk. Nedan får du en praktisk vy på anläggningsgolvet av cyanidmoduler (urlakning, adsorption, desorption/elektrowinning, detox och instrumentering), en urvalsmatris, idrifttagningstips och en FAQ-sektion som du kan använda under leverantörssamtal.


Innehållsförteckning


Översikt i ett ögonkast

  • Översätt "Jag behöver cyanidering" till en komplett, kontrollerbar utrustningsomfattning.
  • Identifiera vilken modul som driver dina förluster (återvinning, reagens, kol eller stillestånd).
  • Använd en enkel matris för att jämföra lösningar för din malmtyp och begränsningar.
  • Gå in på leverantörsmöten med en checklista som avslöjar svag design snabbt.

Den verkliga köparens smärtpoäng

När folk handlar förCyanideringsutrustning, säger de ofta "Jag behöver högre återhämtning." Vad de vanligtvis menar är: "Jag behöver återhämtning som förblir hög även när malmen förändras, operatörerna roterar och platsen är avlägsen." Här är smärtpunkterna som dyker upp om och om igen:

  • Återhämtningen svängerorsakas av malmvariabilitet, malningsproblem, syrebegränsningar eller dålig pH-kontroll.
  • Reagenskostnad krypafrån överdosering av cyanid eller lime "bara för säkerhets skull."
  • Kolproblemsåsom nedsmutsning, nötningsförlust eller dålig adsorptionskinetik.
  • Driftstoppfrån pump-/ventilfel, slitage av slipande slam eller svåråtkomliga layouter.
  • Säkerhetsstresskring lagring av cyanid, dosering och nödberedskap.

Bra utrustningsdesign tar inte bort all komplexitet, men det borde ta bort gissningarna.


Vad "cyanideringsutrustning" inkluderar

Cyaniding Equipment

ÅtminstoneCyanideringsutrustningska förstås som ett system som stöder dessa funktioner:

  • Lakning: tillhandahåller tid, blandning och kemikontroll för upplösning.
  • Guld fånga: adsorption på aktivt kol (CIP/CIL) eller utfällningsvägar.
  • Guldåtervinning: desorption och elektrovinst (eller alternativa återvinningskretsar).
  • Detox- och avfallshantering: reducera kvarvarande cyanid till acceptabla nivåer.
  • Instrumentering och styrning: mäta och stabilisera pH, löst syre, flöde och dosering.

Om en leverantör bara talar om "tankar", tryck på dem för att definiera hela flödet och kontrollpunkterna. Cyanidering är förlåtande i labbförhållanden; det är inte förlåtande i kaotiska fältförhållanden.


En tydlig processkarta från Ore till Doré

Medan varje växt skiljer sig, följer de flesta cyanideringsvägar en igenkännbar ryggrad. Använd den här kartan för att kontrollera om ett föreslaget paket är komplett:

Etapp Vad den måste uppnå Typisk "dold" risk
Förbehandling (efter behov) Gör guld tillgängligt och förhindra cyanidkonsumtionstoppar Ignorera preg-robbing, höga kopparhalter eller reaktiva sulfider
Lakning Stabil blandning, kontrollerat pH och tillräckligt med syre Döda zoner, dålig syreöverföring, oregelbundet pH från svagt kalksystem
Adsorption (CIL/CIP) Fånga upplöst guld effektivt Fel kolstorlek/överföringsmetod; kolförluster
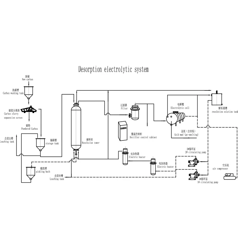
Eluering / Desorption Avlägsna guld från kol på ett tillförlitligt sätt Inkonsekvent uppvärmning/flöde leder till låg strippningseffektivitet
Elektrovinnande / Smältning Återhämta sig och producera doré Underdimensionerade celler, dålig elektrolythantering, problem med slamhantering
Detox Minska kvarvarande cyanid före utsläpp/avfall Designen matchar inte genomströmningsvariabilitet eller avfallskemi

Nyckelmoduler och vad du ska kontrollera

1) Lakningstankar och omrörning

  • Är blandningsdesignen lämplig för din slurrydensitet och nötningsförmåga?
  • Kan systemet bibehålla ett stabilt pH under malmvariabilitet?
  • Är syretillsats praktiskt på din webbplats (och beaktas syreöverföring i designen)?
  • Medger layouten enkel inspektion av pumphjul, foder och lager?

2) Koladsorption och överföring

  • Är mellanstegsskärmar tillräckligt robusta för att förhindra koldioxidöverföring?
  • Är kolöverföring konstruerad för att minska brott och förluster?
  • Är designen vänlig för rengöring och kollagerkontroll?

3) Desorption och elektrovinst

  • Motsvarar elueringskretsen dina förväntningar på kolladdning?
  • Är värme- och flödeskontrollerna stabila (inte "operatörsberoende")?
  • Är slamhantering planerad, inte improviserad?

4) Cyaniddosering och mätning

  • Är doseringen automatiserad med förreglingar, eller rent manuell?
  • Vad är planen för kalibrering och sensorunderhåll i en riktig gruvmiljö?
  • Är provtagningspunkter säkra och välplacerade, eller en eftertanke?

5) Detox

  • Är detoxdesignen baserad på dina utsläppsmål och avfallskemi?
  • Kan den hantera kortvariga toppar utan att tvinga fram en avstängning?

Praktiskt tips:Ett förslag som ser billigare ut på papperet pressar ofta kostnader in i verksamheten – extra cyanid, extra kalk, extra underhållsarbete och mer "heroiskt" förarbeteende. Räkningen kommer senare.


Grundläggande storlek och specifikationer

Du behöver inte vara metallurg för att ställa storleksfrågor som skyddar din budget. FörCyanideringsutrustning, kretsar logiken för kärndimensionering kring genomströmning, uppehållstid och massöverföring. Innan du accepterar någon slutlig design, se till att dessa indata uttryckligen anges:

  • Design genomströmning(genomsnitt och topp, plus förväntad säsongsvariation).
  • Målstorlek för slipningoch vad händer om kvarnen driver grövre.
  • Leach uppehållstidoch om det är baserat på tester eller antaganden.
  • pH- och alkalinitetsplan(inklusive kalkberedning och doseringsstabilitet).
  • Syrestrategi(luft, syre eller inget) och den förväntade påverkan på kinetiken.
  • Kolinventering(hur mycket kol, var det sitter och hur det övervakas).

Om en leverantör inte kan förklara dessa i klartext, behandla det som en risksignal – inte en teknisk detalj.


Säkerhet och cyanidkontroll som faktiskt håller

Säkerhet är inte en affisch på väggen. Med cyanidering är det inbyggt i fysisk design och rutinkontroll. StarkCyanideringsutrustningpaket inkluderar vanligtvis:

  • Innehållet lagring och överföringmed tydliga spillvägar och buntande logik.
  • Interlocked doseringså cyanid kan inte tillsättas när nyckelvillkoren inte är uppfyllda.
  • Tydlig samplingsdesignsom minskar exponeringsrisken vid rutinkontroller.
  • Nödberedskapsom en del av operationsuppsättningen, inte ett tilläggsdokument.

Ur köparens perspektiv är ditt jobb enkelt: tvinga förslaget att visa exakt hur människor interagerar med systemet. Var står de? Vad rör de vid? Hur isolerar de utrustning? Hur reagerar de på ett pumptätningsfel vid 02:00?


Var driftskostnaderna verkligen kommer ifrån

Om din kostnad per uns glider uppåt är det vanligtvis inte ett dramatiskt misslyckande – det är små läckor i systemet som förvärrar. Inom cyanidering är de vanligaste kostnadsdrivkrafterna:

  • Cyanidförbrukningdrivs av reaktiva mineraler, överdoseringsvanor eller dåliga kontrollslingor.
  • Kalkförbrukningnär pH-kontrollen är instabil eller slurrykemin inte är väl förstått.
  • Kolförlustvia förslitning, skärmproblem eller dålig överföringsdesign.
  • Kraft och underhållfrån över-agitation, underdesignade slitdelar och svåra att underhålla layouter.
Symptom Trolig grundorsak Utrustningsfunktion som hjälper
Återhämtningen sjunker när malmen förändras pH/DO-instabilitet; dålig blandning; otillräcklig uppehållstid Robust omrörning, bättre kontrollinstrumentering, flexibel tankkapacitet
Cyanidutgifterna fortsätter att öka Överdosering; högt cyanidkonsumerande mineraler; dålig mätning Kontrollerad dosering, pålitliga provtagningspunkter, smartare förreglingar
Kolinventeringen krymper "mystiskt". Skärmfel; överföringsförluster; nötning Hållbara mellanstegsskärmar, skonsam överföringsdesign, tydlig koldioxidredovisning
Frekventa avstängningar Slitdelar, pumptätning, åtkomstproblem Slitstarka material, åtkomst till underhåll, standardiserade reservdelar

Tillförlitlighet och underhållsdesign

Cyaniding Equipment

En cyanideringskrets kan se "komplett" ut och fortfarande vara opålitlig om underhållet inte har utformats. Fråga hur leverantören närmar sig:

  • Materialvalför slipande slurryzoner och cyanidkontaktzoner.
  • Tillträdetill skärmar, pumphjul, foder, pumpar och instrumentering.
  • Reservdelsstrategisom matchar din webbplats verklighet (ledtider, logistik, lagerhållning).
  • Standardiseringför att minska antalet unika klädesplagg.

I fjärroperationer kan "lätt att underhålla" vara värt mer än "något mer effektivt på papper."


Leverantörsfrågor du bör ställa

Använd denna checklista vid möten. Den är utformad för att snabbt få upp svaga förslag – utan att förvandla konversationen till en debatt.

  • Vilka malmrisker tas bort och vilka är aktivt konstruerade för?
  • Vilka är designingångarna för uppehållstid, pH-intervall och syrestrategi?
  • Hur styrs cyaniddoseringen och vad händer vid sensorfel?
  • Hur förebyggs och mäts kolförluster i rutindrift?
  • Vad är underhållsplanen för skärmar, omrörare och pumpar?
  • Vilka är de rekommenderade förarkontrollerna per skift, och hur görs de säkra?
  • Vilket idrifttagningsstöd ingår och vilken operatörsutbildning ges?

Om du utvärderar leverantörer kan det hjälpa att prata med en tillverkare som kan tillhandahålla ett fullständigt cyanideringspaket och stödja integrationsdetaljerna. Till exempel, Qingdao EPIC Mining Machinery Co.,Ltd.tillhandahåller gruvbearbetningsutrustningslösningar där cyanideringspaket betraktas som system – urlakning, adsorption, återvinning och kontroll – snarare än en frånkopplad uppsättning tankar.


FAQ

Vad gör Cyaniding Equipment "modern" snarare än grundläggande?

Modern design fokuserar på kontrollerbarhet och repeterbarhet: stabil dosering, tillförlitlig mätning, säkrare provtagning, robust slitageskydd och layouter som minskar operatörens improvisation. Målet är konsekvent återvinning med mindre reagensavfall och färre avstängningar.

Kan Cyanid Equipment hantera låghaltig malm ekonomiskt?

Det kan det, men bara när kretsen är konstruerad kring din kinetik och förbrukningsprofil. Lågvärdiga operationer tenderar att vara känsliga för reagensöverskott och stilleståndstid, så kontrollsystem, slitagedesign och kolhantering blir särskilt viktiga.

Hur vet jag om jag behöver CIP eller CIL?

Valet beror vanligtvis på lakkinetiken och hur snabbt upplöst guld ska fångas upp. Om guld löses upp snabbt och du vill ha omedelbar fångst kan CIL vara attraktivt. Om urlakning gynnas av separation före adsorption kan CIP passa bättre. Metallurgiska tester och praktiska platsbegränsningar bör styra beslutet.

Varför ökar cyanidkonsumtionen ibland plötsligt?

Vanliga orsaker är förändringar i malmmineral, dålig pH-kontroll, oväntad syrebegränsning eller förorening i processvattnet. En bra kontrollplan plus tillförlitliga provtagningspunkter gör dessa spikar lättare att diagnostisera och korrigera snabbt.

Vad ska jag prioritera om min webbplats är avlägsen och har kort personal?

Prioritera underhåll och automatisering som minskar manuell hantering: hållbara skärmar, tillgänglig utrustningslayout, standardiserade reservdelar, förreglad dosering och tydliga driftsrutiner som inte förlitar sig på "en expertoperatör."


Avslutning

UppköpCyanideringsutrustninghandlar ytterst om att minska osäkerheten. Kemin kan vara bevisad, men din lönsamhet beror på konsekvent kontroll, praktiskt underhåll och säkerhet som fungerar på riktiga skift med riktiga människor. Om du planerar en ny anläggning eller uppgraderar en befintlig krets, ta med dina malmverkligheter, genomströmningsmål och platsbegränsningar till bordet – och insistera på ett förslag som behandlar cyanidering som ett komplett, kontrollerbart system.

Är du redo att förvandla din cyanideringsplan till en pålitlig, kostnadsstabil operation?Dela din malmtyp, målkapacitet och platsförhållanden, ochkontakta ossför att diskutera en praktisk utrustningskonfiguration som passar din anläggning och dina operatörer.

Skicka förfrågan

X
Vi använder cookies för att ge dig en bättre webbupplevelse, analysera webbplatstrafik och anpassa innehåll. Genom att använda denna sida godkänner du vår användning av cookies. Sekretesspolicy